Оставить заявку +7 (495) 642-40-03 info@hansa-flex.com.ru

RED GD 603-602

Редукционный блок SAE, угол 90°
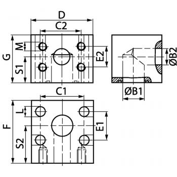
S1:
37 mm
M метр:
M 10
D:
82 mm
L:
14 mm

Описание продукта

S137 mm
M метрM 10
D82 mm
L14 mm
G64 mm
Типоразмер1"
PB420 bar
F68 mm
S240 mm
B219 mm
B123 mm
E127.8 mm
E223.8 mm
C250.8 mm
C157.2 mm

Свойства

МатериалS355J2G3 (ST52.3) 
НормаSAE J 518 C  ISO 6162 
МодельРедукционный блок SAE 
Защита поверхностиГальваническое покрытие 
КонструкцияУгол 90° 
КреплениеВнутренняя резьба для метрических винтов 
Серия давления6000 psi
  • Указания
  • Zubehr gehrt zu
Указанное максимальное рабочее давление относится к фланцу! Фактическое рабочее давление определяется трубой (толщиной стенок) и ее качеством!
PB = макс. рабочее давление
Вернуться

* Несмотря на тщательную проверку мы не можем исключить наличие ошибок и не несем ответственность за содержащуюся в них информацию.

Требуется техническая поддержка?
Звоните нам
Или отправьте заявку онлайн
+7 (495) 642-40-03
Оставить заявку