HK B3/B5 400/690V IE3
Электродвигатель B3/B5 400/690В IE3
Материал:
Корпус: алюминий
Housing: Grey cast iron (from HK180L4***)
Исполнение:
Конструктивное исполнение B3/B5
съемные опоры
Несъемные опоры (начиная с HK160M4 ***)
Температура окружающей среды:
от -20 °C до +40 °C
Степень защиты:
IP 55
Свойства
| Материал | Корпус: алюминий Housing: Grey cast iron (from HK180L4***) |
| Исполнение | Конструктивное исполнение B3/B5 съемные опоры Несъемные опоры (начиная с HK160M4 ***) |
| Температура окружающей среды | от -20 °C до +40 °C |
| Степень защиты | IP 55 |
- Указания
- Описание
- Zubehr gehrt zu
Achtung! Ma? „B“ kann je nach Ausf?hrung geringf?gig l?nger ausfallen.
Самоохлаждаемые экономичные электродвигатели с короткозамкнутым роторомрасчетное напряжение 400/690В 50Гц, 460В 60Гц; 4-полюсн.допуск по напряжению +- 5%при мощности от 11 кВт вкл. термозащиту (терморезистор с положительным температурным коэффициентом PTC)All motors incl. temperature protection (PTC thermistor)
P 50 Hz = nominal output at 400 V/50 Hz
P 60 Гц = номинальная мощность при 400 В/60 Гц
n 50 Гц = номинальная частота вращения при 400 В/50 Гц
n 60 Гц = номинальная частота вращения при 400 В/60 Гц
I 50 Гц = номинальный ток при 400 В/50 Гц
LF 50 Гц = коэффициент мощности косинус фи при 50 Гц
? (IE3) = efficiency to IE3 in % (at full load)
Варианты изделия
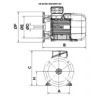
| Наименование | C | B | E | F | Подробности |
| HK 280M4 B35 4-6 IE3 | 670 mm | 1095 mm | 450 mm | 550 mm | Подробнее |
| HK 280S4 B35 4-6 IE3 | 670 mm | 1045 mm | 450 mm | 550 mm | Подробнее |
| HK 315S4 B35 4-6 IE3 | 855 mm | 1220 mm | 550 mm | 660 mm | Подробнее |
| HK 112M4 B35 4-6 IE3 | 302 mm | 401 mm | 180 mm | 250 mm | Подробнее |
| HK 132SB4 B35 4-6 IE3 | 347 mm | 422 mm | 230 mm | 300 mm | Подробнее |
| HK 132M4 B35 4-6 IE3 | 347 mm | 453 mm | 230 mm | 300 mm | Подробнее |
| HK 160M4 B35 4-6 IE3 | 415 mm | 550 mm | 250 mm | 350 mm | Подробнее |
| HK 160L4 B35 4-6 IE3 | 415 mm | 616 mm | 250 mm | 350 mm | Подробнее |
| HK 180M4 B35 4-6 IE3 | 450 mm | 622 mm | 250 mm | 350 mm | Подробнее |
| HK 180L4 B35 4-6 IE3 | 450 mm | 700 mm | 250 mm | 350 mm | Подробнее |
| HK 200L4 B35 4-6 IE3 | 502 mm | 742 mm | 300 mm | 400 mm | Подробнее |
| HK 225S4 B35 4-6 IE3 | 548 mm | 734 mm | 350 mm | 450 mm | Подробнее |
| HK 225M4 B35 4-6 IE3 | 548 mm | 780 mm | 350 mm | 450 mm | Подробнее |
| HK 250M4 B35 4-6 IE3 | 622 mm | 845 mm | 450 mm | 550 mm | Подробнее |
Просмотренные позиции
* Несмотря на тщательную проверку мы не можем исключить наличие ошибок и не несем ответственность за содержащуюся в них информацию.
Требуется техническая поддержка?
Звоните нам
Или отправьте заявку онлайн
+7 (495) 642-40-03


