Оставить заявку +7 (495) 642-40-03 info@hansa-flex.com.ru

HK ZRD AZ01 S0 D1

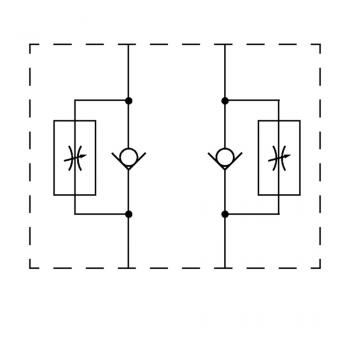
Обратный дроссельный клапан
Исполнение:
Регулирование на входе

Описание продукта

ИсполнениеРегулирование на входе

Свойства

Рабочее давлениемакс. 350 бар 
ИсполнениеКлапан блочного монтажа 
Объемный потокмакс. 80 л/мин 
СоединениеISO/Cetop 03 size 6 
  • Указания
  • Описание
  • Указание по заказу
Эти клапаны должны быть отрегулированы по прецедентным случаям
Клапан блочного монтажа для установки при многослойном вертикальном сопряжении с клапанами ISO/Cetop 03 NG6
Другие клапаны блочного монтажа по запросу
Вернуться

* Несмотря на тщательную проверку мы не можем исключить наличие ошибок и не несем ответственность за содержащуюся в них информацию.

Требуется техническая поддержка?
Звоните нам
Или отправьте заявку онлайн
+7 (495) 642-40-03
Оставить заявку