Оставить заявку +7 (495) 642-40-03 info@hansa-flex.com.ru

HK ADRL 32

Обратный клапан ADRL
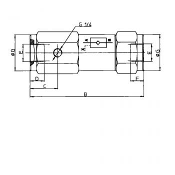
D:
23.5 mm
C:
53 mm
B:
245 mm
A:
90 mm

Описание продукта

D23.5 mm
C53 mm
B245 mm
A90 mm
EG 1.1/4"
G87.5 mm
F25 mm
Размыкающее давление nom0.5 bar

Свойства

МатериалСталь 
Рабочее давлениемакс. 400 бар 
Исполнениеконусный затвор  управляемый - одностороннего действия 
Вернуться

* Несмотря на тщательную проверку мы не можем исключить наличие ошибок и не несем ответственность за содержащуюся в них информацию.

Требуется техническая поддержка?
Звоните нам
Или отправьте заявку онлайн
+7 (495) 642-40-03
Оставить заявку