Оставить заявку +7 (495) 642-40-03 info@hansa-flex.com.ru

HK 1P 23 11 GIIA

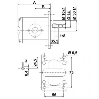
Шестеренный насос Размер 1 GIIA
B:
41.5 mm
A:
85.5 mm

Описание продукта

B41.5 mm
A85.5 mm

Свойства

МатериалКорпус: алюминий  Передний фланец, торцевая крышка: Алюминий 
Исполнениеgear pump BG 1, European Standard 
Окружность центров отверстий на напорной стороне30 / M6 
Окружность центров отверстий на стороне всасывания30 / M6 
  • Указания
  • Описание
  • Указание по заказу
  • Zubehr gehrt zu
Anzugsdrehmoment der Befestigungsmutter auf der Welle: 11,5 Nm
Европейский стандартный насос – посадочный размер 73 x 56 – ? 30 – конический вал 1:8 – фланцевое соединение
Другие модификации насосов поставляются по запросу
VFU = рабочий объем за 1 об. p1 = постоянное давление p2 = рабочее давление p3 = предельное давление
Вернуться

* Несмотря на тщательную проверку мы не можем исключить наличие ошибок и не несем ответственность за содержащуюся в них информацию.

Требуется техническая поддержка?
Звоните нам
Или отправьте заявку онлайн
+7 (495) 642-40-03
Оставить заявку