Оставить заявку +7 (495) 642-40-03 info@hansa-flex.com.ru

HK 2P 63 01 EQPA

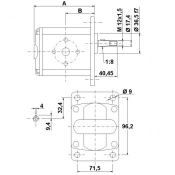
Шестеренный насос Размер 2 EOOA / EPOA / EQPA
B:
71.2 mm
A:
146.2 mm

Описание продукта

B71.2 mm
A146.2 mm

Свойства

МатериалКорпус: алюминий  Передний фланец, торцевая крышка: Алюминий 
Исполнениеfor gear pump BG 2, European Standard 
Окружность центров отверстий на напорной стороне30 / M6 при рабочем объеме до 22,8 куб. см/об.  40 / M8 при рабочем объеме от 26,2 куб. см/об. 
Окружность центров отверстий на стороне всасывания30 / M6 при рабочем объеме до 10,8 куб. см/об.  40 / M8 при рабочем объеме от 14,4 куб. см/об. 
  • Указания
  • Описание
  • Указание по заказу
  • Zubehr gehrt zu
Anzugsdrehmoment der Befestigungsmutter auf der Welle: 40 Nm
Европейский стандартный насос – посадочный размер 96,2 x 71,5 – ? 36,5 – конический вал 1:8 – фланцевое соединение
Другие модификации насосов поставляются по запросу
VFU = рабочий объем за 1 об. p1 = постоянное давление p2 = рабочее давление p3 = предельное давление
Вернуться

* Несмотря на тщательную проверку мы не можем исключить наличие ошибок и не несем ответственность за содержащуюся в них информацию.

Требуется техническая поддержка?
Звоните нам
Или отправьте заявку онлайн
+7 (495) 642-40-03
Оставить заявку