Оставить заявку +7 (495) 642-40-03 info@hansa-flex.com.ru

HK GR33 2C 010 F2AC4 F D

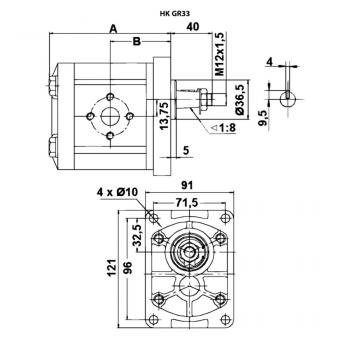
Шестеренный насос Размер 2, снижение уровня шума
B:
46.8 mm
A:
104.5 mm

Описание продукта

B46.8 mm
A104.5 mm

Свойства

МатериалКорпус: алюминий  Передний фланец, торцевая крышка: стальное литье 
Исполнениеgear pump BG 2, European Standard, low noise 
Окружность центров отверстий на напорной стороне30 / M6 
Окружность центров отверстий на стороне всасывания40 / M8 
  • Указания
  • Описание
  • Указание по заказу
  • Zubehr gehrt zu
Anzugsdrehmoment der Befestigungsmutter auf der Welle: 40 Nm
Европейский стандартный насос – посадочный размер 96,2 x 71,5 – ? 36,5 – конический вал 1:8 – фланцевое соединениеБлагодаря особому зубчатому зацеплению достигается минимальное уровень шума этими насосами. (Для сравнения: Стандартный шестеренный насос – от 65 до 75 дБ; шестеренный насос HK GR33 – от 47 до 57 дБ; показатели действительны в диапазоне частоты вращения 500-3000 об/об/мин)
Другие модификации насосов поставляются по запросу
VFU = рабочий объем за 1 об. p1 = постоянное давление p2 = рабочее давление p3 = предельное давление
Вернуться

* Несмотря на тщательную проверку мы не можем исключить наличие ошибок и не несем ответственность за содержащуюся в них информацию.

Требуется техническая поддержка?
Звоните нам
Или отправьте заявку онлайн
+7 (495) 642-40-03
Оставить заявку