K-KRONENBOHR SCHN-FLAN 20-63 INFI
Core drill for quick assembly ? 20 mm – ? 63 mm
Свойства
| Материал | (HSS) Steel |
Варианты изделия
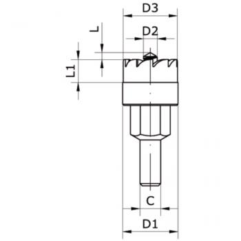
| Наименование | D2 | D1 | L1 | C | Для наружного трубы мм | Подробности |
| K- 07 40 54 52 | 6 mm | 24 mm | 10 mm | 9 mm | 32, 40 | Подробнее |
| K- 07 40 54 53 | 6 mm | 31 mm | 9 mm | 9 mm | 50, 63 | Подробнее |
Просмотренные позиции
* Несмотря на тщательную проверку мы не можем исключить наличие ошибок и не несем ответственность за содержащуюся в них информацию.
Требуется техническая поддержка?
Звоните нам
Или отправьте заявку онлайн
+7 (495) 642-40-03



