Оставить заявку +7 (495) 642-40-03 info@hansa-flex.com.ru

K- 07 25 11 71

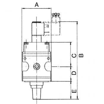
On-off valves (3/2-way valves)
D:
33.5 mm
C:
56.2 mm
B:
185,0 mm
A:
68.8 mm

Описание продукта

D33.5 mm
C56.2 mm
B185,0 mm
A68.8 mm
E44.1 mm
Типоразмер2
РезьбаG 1/2

Свойства

УплотнениеНитрильный каучук 
Температура средыMax. 60 °C 
КорпусDie-cast zinc 
Температура окружающей средыMax. 60 °C 
Подключение к электросетиDevice plug PG 9, type B, EN 175301-803 
Измерение расхода воздухаAt P1 = 6 bar and pressure drop ?p = 1 bar 
Степень защитыIP 65 (P 54) acc. to DIN 40050 
Входное давлениеMin. 2 bar, max. 10 bar 
Подключение вентиляцииSilencer G 1/4 
Продолжительность включения относительная100 %
  • Указания
  • Описание
  • Указание по заказу
Прочие данные только по запросу.
Pneumatic systems or parts of systems can be switched on and off by means of anelectrical signal. When they are switched off, the system is relieved at the same time.
On-off valves are also available in a pneumatically operated version. Please ask for more information.
Вернуться

* Несмотря на тщательную проверку мы не можем исключить наличие ошибок и не несем ответственность за содержащуюся в них информацию.

Требуется техническая поддержка?
Звоните нам
Или отправьте заявку онлайн
+7 (495) 642-40-03
Оставить заявку