XLM VA
Ввертное резьбовое соединение, L-образное
Соединение 1:
Метрическая наружная резьба, цилиндрическая
Материал:
нержавеющая сталь
Норма:
DIN 2353
Модель:
Ввертное резьбовое соединение
Свойства
| Соединение 1 | Метрическая наружная резьба, цилиндрическая |
| Материал | нержавеющая сталь |
| Норма | DIN 2353 |
| Модель | Ввертное резьбовое соединение |
| Конструкция | L-образная форма |
| Форма уплотнения 1 | Форма B |
| Соединение 2 3 | Метрическая наружная резьба, цилиндрическая |
| Форма уплотнения 2 3 | Внутренний конус 24° |
- Указания
- Zubehr gehrt zu
- Комплект поставки
Указания по монтажу, установке, нагрузке давлением и допустимым рабочим температурам представлены в технической информации для резьбовых трубных соединений.
Серия: LL = очень легкая L = легкая S = тяжелая
PN = номинальное давление
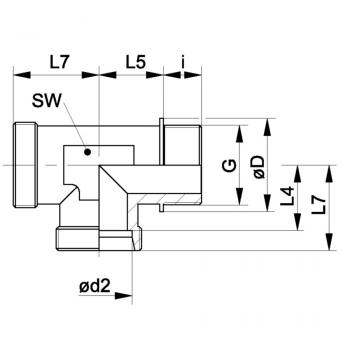
? d2 = наружный диаметр трубы
SW = размер под ключ
Штуцер (без накидной гайки и режущего кольца)
Варианты изделия
| Наименование | SW | d2 | D | Рабочее давление бар | G | Подробности |
| XLM NW 20 HL VA | 27 mm | 22 mm | 31 mm | PN 160 | M 26 x 1,5 | Подробнее |
| XLM NW 25 HL VA | 36 mm | 28 mm | 39 mm | PN 160 | M 33 x 2 | Подробнее |
| XLM NW 32 HL VA | 41 mm | 35 mm | 49 mm | PN 160 | M 42 x 2 | Подробнее |
| XLM NW 40 HL VA | 50 mm | 42 mm | 55 mm | PN 160 | M 48 x 2 | Подробнее |
| XLM NW 16 HS VA | 27 mm | 20 mm | 32 mm | PN 400 | M 27 x 2 | Подробнее |
| XLM NW 20 HS VA | 36 mm | 25 mm | 39 mm | PN 400 | M 33 x 2 | Подробнее |
| XLM NW 25 HS VA | 41 mm | 30 mm | 49 mm | PN 250 | M 42 x 2 | Подробнее |
| XLM NW 32 HS VA | 50 mm | 38 mm | 55 mm | PN 250 | M 48 x 2 | Подробнее |
Сопутствующие товары
ВернутьсяПросмотренные позиции
* Несмотря на тщательную проверку мы не можем исключить наличие ошибок и не несем ответственность за содержащуюся в них информацию.
Требуется техническая поддержка?
Звоните нам
Или отправьте заявку онлайн
+7 (495) 642-40-03




