Оставить заявку +7 (495) 642-40-03 info@hansa-flex.com.ru

GVM 90 NW 08 HS 22

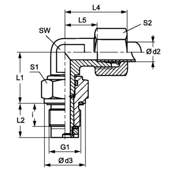
Поворотное резьбовое соединение, угол 90°, подшипник скольжения
G1:
M 22 x 1.5
S1:
27
L1:
28 mm
L2:
32 mm

Описание продукта

G1M 22 x 1.5
S127
L128 mm
L232 mm
SW17 mm
d212 mm
d327 mm
Рабочее давление барPN 100
СерияS
Наружный трубы12 mm
L438 mm
L521.5 mm
S224
i14 mm

Свойства

Соединение 1Метрическая наружная резьба, цилиндрическая 
Соединение 2Метрическая наружная резьба, цилиндрическая 
МатериалСталь 
МодельПоворотное резьбовое соединение (ввертное соединение) 
Защита поверхностиГальваническое покрытие 
КонструкцияУгол 90° 
Форма уплотнения 1Форма E 
Дополнение к моделиПодшипник скольжения 
Форма уплотнения 2Внутренний конус 24° 
  • Указания
  • Zubehr gehrt zu
  • Комплект поставки
Указания по монтажу, установке, нагрузке давлением и допустимым рабочим температурам представлены в технической информации для резьбовых трубных соединений.
Серия: LL = очень легкая L = легкая S = тяжелая PN = номинальное давление PB = макс. рабочее давление ? d2 = наружный диаметр трубы
Штуцер (без накидной гайки и режущего кольца)
Вернуться

* Несмотря на тщательную проверку мы не можем исключить наличие ошибок и не несем ответственность за содержащуюся в них информацию.

Требуется техническая поддержка?
Звоните нам
Или отправьте заявку онлайн
+7 (495) 642-40-03
Оставить заявку