Оставить заявку +7 (495) 642-40-03 info@hansa-flex.com.ru

XGAR NW 06 HS

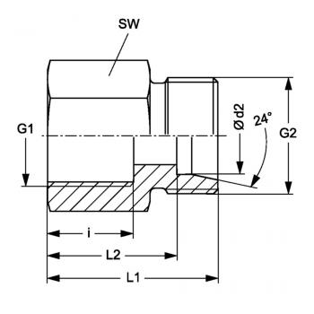
Навинчиваемое резьбовое соединение
G1:
G 3/8" -19
G2:
M 18 x 1,5
L1:
34 mm
L2:
26.5 mm

Описание продукта

G1G 3/8" -19
G2M 18 x 1,5
L134 mm
L226.5 mm
SW24 mm
d210 mm
Рабочее давление барPN 400
СерияS
Наружный трубы10 mm
i17 mm

Свойства

Соединение 1Внутренняя резьба BSP, цилиндрическая 
Соединение 2Метрическая наружная резьба, цилиндрическая 
МатериалСталь 
НормаDIN 2353  ISO 8434-1 
МодельНавинчиваемое резьбовое соединение 
Защита поверхностиГальваническое покрытие 
Конструкцияпрямые 
Форма уплотнения 1Форма А 
Форма уплотнения 2Внутренний конус 24° 
  • Указания
  • Zubehr gehrt zu
  • Комплект поставки
Указания по монтажу, установке, нагрузке давлением и допустимым рабочим температурам представлены в технической информации для резьбовых трубных соединений.
Серия: LL = очень легкая L = легкая S = тяжелая PN = номинальное давление ? d2 = наружный диаметр трубы SW = размер под ключ
Штуцер (без накидной гайки и режущего кольца)
Вернуться

* Несмотря на тщательную проверку мы не можем исключить наличие ошибок и не несем ответственность за содержащуюся в них информацию.

Требуется техническая поддержка?
Звоните нам
Или отправьте заявку онлайн
+7 (495) 642-40-03
Оставить заявку