Оставить заявку +7 (495) 642-40-03 info@hansa-flex.com.ru

XAH NW 20 S 16

Редукционное резьбовое соединение
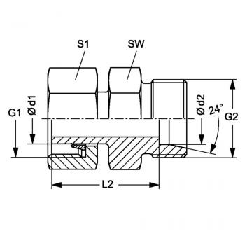
G1:
M 36 x 2
G2:
M 30 x 2
S1:
46
L2:
48.5 mm

Описание продукта

G1M 36 x 2
G2M 30 x 2
S146
L248.5 mm
SW32 mm
d220 mm
d125 mm
Рабочее давление барPN 400
СерияS

Свойства

Соединение 1Метрическая гаечная резьба 
Соединение 2Метрическая наружная резьба, цилиндрическая 
МатериалСталь 
НормаISO 8434-1 
МодельРедукционное резьбовое соединение 
Конструкцияпрямые 
Форма уплотнения 1Патрубок с режущим кольцом 
Форма уплотнения 2Внутренний конус 24° 
  • Указания
  • Zubehr gehrt zu
  • Комплект поставки
Указания по монтажу, установке, нагрузке давлением и допустимым рабочим температурам представлены в технической информации для резьбовых трубных соединений.
Серия: LL = очень легкая L = легкая S = тяжелая PN = номинальное давление PB = макс. рабочее давление ? d1 = наружный диаметр трубы ? d2 = наружный диаметр трубы
Штуцер (без накидной гайки и режущего кольца)предварительно монтированные
Вернуться

* Несмотря на тщательную проверку мы не можем исключить наличие ошибок и не несем ответственность за содержащуюся в них информацию.

Требуется техническая поддержка?
Звоните нам
Или отправьте заявку онлайн
+7 (495) 642-40-03
Оставить заявку