PA 500 SF6 45 A
Пресс-арматура, SFS, угол 45°
Область применения:
Прессуемая арматура для шлангов HD 500
Соединение 1:
Фланцевое соединение SAE 6000 PSI
Материал:
Сталь
Норма:
ISO 6162-2
SAE J 518
Свойства
| Область применения | Прессуемая арматура для шлангов HD 500 |
| Соединение 1 | Фланцевое соединение SAE 6000 PSI |
| Материал | Сталь |
| Норма | ISO 6162-2 SAE J 518 |
| Защита поверхности | Гальваническое покрытие |
| Форма уплотнения 1 | flachdichtend mit SAEO-Ring |
| Способ заделки | С защитой от вырывания (Interlok) |
| Сокращение | SFS |
- Zubehr gehrt zu
- Комплект поставки
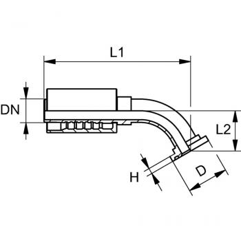
DN = номинальный диаметр, номинальный внутренний диаметр
Прессуемый ниппель + прессуемая обойма
Варианты изделия
| Наименование | DN | Размер | Дюймы | Размер фланца | D | Подробности |
| PA 532 SF6 25 45 A | 31 | 20 | 1.1/4" | 1" | 47.6 mm | Подробнее |
| PA 532 SF6 45 A | 31 | 20 | 1.1/4" | 1.1/4" | 54 mm | Подробнее |
| PA 532 SF6 40 45 A | 31 | 20 | 1.1/4" | 1.1/2" | 63.5 mm | Подробнее |
| PA 540 SF6 45 A | 38 | 24 | 1.1/2" | 1.1/2" | 63.5 mm | Подробнее |
| PA 540 SF6 32 45 A | 38 | 24 | 1.1/2" | 1.1/4" | 54 mm | Подробнее |
| PA 540 SF6 50 45 A | 38 | 24 | 1.1/2" | 2" | 79.4 mm | Подробнее |
| PA 550 SF6 45 A | 51 | 32 | 2" | 2" | 79.4 mm | Подробнее |
Сопутствующие товары
ВернутьсяПросмотренные позиции
* Несмотря на тщательную проверку мы не можем исключить наличие ошибок и не несем ответственность за содержащуюся в них информацию.
Требуется техническая поддержка?
Звоните нам
Или отправьте заявку онлайн
+7 (495) 642-40-03

