PAH 700 SF9
Пресс-арматура, SFS-CAT
Область применения:
Pressarmatur f?r HD 700 LL Schl?uche
Соединение 1:
Фланцевое соединение SAE 6000 PSI
Материал:
Сталь
Защита поверхности:
Гальваническое покрытие
Свойства
| Область применения | Pressarmatur f?r HD 700 LL Schl?uche |
| Соединение 1 | Фланцевое соединение SAE 6000 PSI |
| Материал | Сталь |
| Защита поверхности | Гальваническое покрытие |
| Форма уплотнения 1 | flachdichtend mit SAEO-Ring |
| Способ заделки | С защитой от вырывания (Interlok) |
| Сокращение | SFS-CAT |
| Подходит для | Caterpillar |
- Комплект поставки
Прессуемый ниппель + прессуемая обойма
Варианты изделия
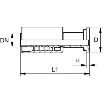
| Наименование | DN | Размер | Дюймы | Рабочее давление | L1 | Подробности |
| PAH 732 SF9 | 31 | 20 | 1.1/4" | 450 bar | 166.5 mm | Подробнее |
| PAH 740 SF9 | 38 | 24 | 1.1/2" | 420 bar | 185 mm | Подробнее |
Сопутствующие товары
ВернутьсяПросмотренные позиции
* Несмотря на тщательную проверку мы не можем исключить наличие ошибок и не несем ответственность за содержащуюся в них информацию.
Требуется техническая поддержка?
Звоните нам
Или отправьте заявку онлайн
+7 (495) 642-40-03




